|
|
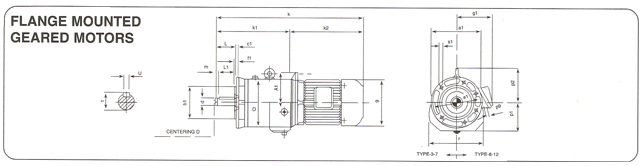
Products: |
|
|
FLANGE VERTICAL GEARED MOTOR |
|
TYPE |
a1 |
b1 |
e1 |
s1 |
c1 |
f1 |
g |
g1 |
k |
k1 |
k2 |
0 |
p1 |
p2 |
r |
p9 |
A1 |
d |
l |
l1 |
m |
t |
u |
D |
1002D - 71 |
|
j6 |
|
|
|
|
139 |
105 |
460 |
|
243 |
460 |
|
|
|
|
|
|
|
|
|
|
|
|
80 |
200 |
130 |
165 |
11.5 |
10 |
4 |
157 |
112 |
484 |
|
267 |
484 |
|
|
|
|
|
k6 |
|
|
|
|
|
|
90s |
|
j6 |
|
|
|
|
|
|
499 |
217 |
282 |
160 |
109 |
|
170 |
13.5 |
- |
25 |
60 |
50 |
5 |
27.9 |
8 |
M8 |
90l |
160 |
110 |
130 |
9.5 |
10 |
4 |
181 |
148 |
524 |
|
307 |
|
|
|
|
|
|
|
|
|
|
|
|
|
100l |
|
|
|
|
|
|
202 |
163 |
561 |
| 344 |
|
|
|
|
|
|
|
|
|
|
|
|
|
| |
|
|
|
|
|
|
|
|
|
|
|
|
|
|
|
|
|
|
|
|
|
|
|
|
1003D - 71 |
|
j6 |
|
|
|
|
139 |
105 |
492 |
|
243 |
460 |
|
|
|
|
|
|
|
|
|
|
|
|
80 |
200 |
130 |
165 |
11.5 |
10 |
4 |
157 |
112 |
516 |
|
267 |
484 |
|
|
|
|
|
k6 |
|
|
|
|
|
|
90s |
|
j6 |
|
|
|
|
|
|
531 |
249 |
282 |
160 |
109 |
|
170 |
13.5 |
- |
25 |
60 |
50 |
5 |
27.9 |
8 |
M8 |
90l |
160 |
110 |
130 |
9.5 |
10 |
4 |
181 |
148 |
556 |
|
307 |
|
|
|
|
|
|
|
|
|
|
|
|
|
100l |
|
|
|
|
|
|
202 |
163 |
593 |
|
344 |
|
|
|
|
|
|
|
|
|
|
|
|
|
| |
|
|
|
|
|
|
|
|
|
|
|
|
|
|
|
|
|
|
|
|
|
|
|
|
1122D - 71 |
|
j6 |
|
|
|
|
139 |
105 |
498 |
|
239 |
|
|
|
|
|
|
|
|
|
|
|
|
|
80 |
200 |
130 |
165 |
11.5 |
10 |
4 |
157 |
112 |
521 |
|
262 |
|
|
|
|
|
|
|
|
|
|
|
|
|
90s |
|
j6 |
|
|
|
|
|
|
536 |
|
277 |
|
|
|
|
|
|
k6 |
|
|
|
|
|
|
90l |
250 |
180 |
215 |
14 |
12 |
5 |
181 |
148 |
561 |
259 |
302 |
190 |
123 |
|
215 |
13.5 |
|
32 |
80 |
70 |
5 |
35.3 |
10 |
M12 |
100L |
|
|
|
|
|
|
202 |
163 |
597 |
|
338 |
|
|
|
|
|
|
|
|
|
|
|
|
|
112M |
|
|
|
|
|
|
227 |
177 |
619 |
|
360 |
|
|
|
|
|
|
|
|
|
|
|
|
|
|
|
|
|
|
|
|
|
|
|
|
|
|
|
|
|
|
|
|
|
|
|
|
|
|
1123D - 71 |
|
j6 |
|
|
|
|
139 |
105 |
537 |
|
239 |
|
|
|
|
|
|
|
|
|
|
|
|
|
80 |
200 |
130 |
165 |
11.5 |
10 |
4 |
157 |
112 |
560 |
|
262 |
|
|
|
|
|
|
|
|
|
|
|
|
|
90S |
|
j6 |
|
|
|
|
|
|
575 |
|
277 |
|
|
|
|
|
|
k6 |
|
|
|
|
|
|
90L |
250 |
180 |
215 |
14 |
12 |
5 |
181 |
148 |
600 |
298 |
302 |
|
123 |
|
215 |
13.5 |
|
32 |
80 |
70 |
5 |
35.3 |
10 |
M12 |
100L |
|
|
|
|
|
|
202 |
163 |
636 |
|
338 |
|
|
|
|
|
|
|
|
|
|
|
|
|
112M |
|
|
|
|
|
|
227 |
177 |
658 |
|
360 |
|
|
|
|
|
|
|
|
|
|
|
|
|
| |
|
|
|
|
|
|
|
|
|
|
|
|
|
|
|
|
|
|
|
|
|
|
|
|
1322D - 71 |
|
|
|
|
|
|
139 |
|
553 |
|
237 |
|
|
|
|
|
|
|
|
|
|
|
|
|
80 |
|
|
|
|
|
|
157 |
|
573 |
|
257 |
|
|
|
|
|
|
|
|
|
|
|
|
|
90S |
|
j6 |
|
|
|
|
|
|
588 |
|
277 |
|
|
|
|
|
|
k6 |
|
|
|
|
|
|
90L |
250 |
180 |
215 |
14 |
12 |
5 |
181 |
148 |
613 |
316 |
297 |
220 |
146 |
|
230 |
13.5 |
|
40 |
110 |
100 |
5 |
43.1 |
12 |
M16 |
100L |
|
|
|
|
|
|
202 |
163 |
646.5 |
|
330.5 |
|
|
|
|
|
|
|
|
|
|
|
|
|
112M |
|
|
|
|
|
|
227 |
177 |
668.5 |
|
353.5 |
|
|
|
|
|
|
|
|
|
|
|
|
|
132S |
|
|
|
|
|
|
|
|
735 |
|
419 |
|
|
|
|
|
300 |
|
|
|
|
|
|
|
132M |
|
|
|
|
|
|
267 |
207 |
773 |
|
457 |
|
|
|
|
21 |
300 |
|
|
|
|
|
|
|
|
|
|
|
|
|
|
|
|
|
|
|
|
|
|
|
|
|
|
|
|
|
|
|
|
1323D - 71 |
|
|
|
|
|
|
139 |
105 |
592 |
|
237 |
|
|
|
|
|
|
|
|
|
|
|
|
|
80 |
|
|
|
|
|
|
157 |
112 |
612 |
|
257 |
|
|
|
|
|
|
|
|
|
|
|
|
|
90S |
|
j6 |
|
|
|
|
|
627 |
627 |
|
272 |
|
|
|
|
|
|
k6 |
|
|
|
|
|
|
90L |
250 |
180 |
215 |
14 |
12 |
5 |
181 |
148 |
652 |
355 |
297 |
220 |
146 |
|
230 |
13.5 |
|
40 |
110 |
100 |
5 |
43.1 |
12 |
M16s |
100L |
|
|
|
|
|
|
202 |
163 |
685.5 |
|
330.5 |
|
|
|
|
|
|
|
|
|
|
|
|
|
112M |
|
|
|
|
|
|
227 |
177 |
707.5 |
|
352.5 |
|
|
|
|
|
|
|
|
|
|
|
|
|
132S |
|
|
|
|
|
|
|
|
774 |
|
419 |
|
|
|
|
|
|
|
|
|
|
|
|
|
132M |
|
|
|
|
|
|
267 |
207 |
812 |
|
457 |
|
|
|
|
21 |
300 |
|
|
|
|
|
|
|
|
|
|
|
|
|
|
|
|
|
|
|
|
|
|
|
|
|
|
|
|
|
|
|
|
1602D - 80 |
|
|
|
|
|
|
157 |
|
|
|
|
|
|
|
|
|
|
|
|
|
|
|
|
|
90S |
|
|
|
|
|
|
|
|
|
|
|
|
|
|
|
|
|
|
|
|
|
|
|
|
90L |
|
j6 |
|
|
|
|
181 |
148 |
642 |
|
287 |
|
|
|
|
13.5 |
|
k6 |
|
|
|
|
|
|
100L |
300 |
230 |
265 |
14 |
12 |
6 |
202 |
163 |
678.5 |
355 |
323.5 |
260 |
172 |
169 |
273 |
|
|
45 |
110 |
100 |
5 |
53.5 |
14 |
M16 |
112M |
|
|
|
|
|
|
227 |
|
|
|
|
|
|
|
|
|
|
|
|
|
|
|
|
|
132S |
|
j6 |
|
|
|
|
|
|
|
|
|
|
|
|
|
21 |
300 |
|
|
|
|
|
|
|
132M |
250 |
180 |
215 |
14 |
15 |
5 |
267 |
207 |
850 |
|
445 |
|
|
|
|
|
300 |
|
|
|
|
|
|
|
160M |
|
|
|
|
|
|
324 |
|
|
|
|
|
|
|
|
|
350 |
|
|
|
|
|
|
|
160L |
|
|
|
|
|
|
318 |
25 |
951 |
|
596 |
|
|
|
|
|
350 |
|
|
|
|
|
|
|
| |
|
|
|
|
|
|
|
|
|
|
|
|
|
|
|
|
|
|
|
|
|
|
|
|
1603D - 80 |
|
|
|
|
|
|
|
|
|
|
|
|
|
|
|
|
|
|
|
|
|
|
|
|
90S |
|
j6 |
|
|
|
|
|
|
|
|
|
|
|
|
|
|
|
|
|
|
|
|
|
|
90L |
300 |
230 |
265 |
14 |
15 |
6 |
181 |
148 |
692 |
|
287 |
|
|
|
|
13.5 |
|
|
|
|
|
|
|
|
100L |
|
|
|
|
|
|
202 |
|
|
|
|
|
|
|
|
|
|
k6 |
|
|
|
|
|
|
112M |
|
|
|
|
|
|
227 |
177 |
750.5 |
405 |
345.5 |
260 |
172 |
169 |
273 |
|
|
45 |
110 |
100 |
5 |
53.5 |
14 |
M16 |
132S |
|
j6 |
|
|
|
|
267 |
207 |
812 |
|
407 |
|
|
|
|
21 |
300 |
|
|
|
|
|
|
|
132M |
250 |
180 |
215 |
14 |
15 |
5 |
267 |
207 |
850 |
|
445 |
|
|
|
|
|
300 |
|
|
|
|
|
|
|
160M |
|
|
|
|
|
|
324 |
225 |
953 |
|
548 |
|
|
|
|
29 |
350 |
|
|
|
|
|
|
|
160L |
|
|
|
|
|
|
318 |
255 |
1001 |
|
596 |
|
|
|
|
|
350 |
|
|
|
|
|
|
|
| |
|
|
|
|
|
|
|
|
|
|
|
|
|
|
|
|
|
|
|
|
|
|
|
|
1802D - 908 |
|
|
|
|
|
|
181 |
148 |
680 |
|
257 |
|
|
|
|
|
|
|
|
|
|
|
|
|
|
|
|
|
|
|
|
181 |
148 |
705 |
|
282 |
|
|
|
|
13.5 |
|
|
|
|
|
|
|
|
100L |
|
h6 |
|
|
|
|
202 |
163 |
743.5 |
|
320.5 |
|
|
|
|
|
|
m6 |
|
|
|
|
|
|
112M |
350 |
250 |
300 |
18 |
16 |
6 |
227 |
177 |
765.5 |
423 |
342.5 |
300 |
194 |
212 |
315 |
|
|
60 |
140 |
125 |
7.5 |
64.2 |
18 |
M20 |
1328 |
|
|
|
|
|
|
267 |
207 |
821 |
|
398 |
|
|
|
|
|
|
|
|
|
|
|
|
|
132M |
|
|
|
|
|
|
267 |
207 |
859 |
|
436 |
|
|
|
|
21 |
|
|
|
|
|
|
|
|
|
|
|
|
|
|
|
324 |
225 |
957 |
|
534 |
|
|
|
|
|
350. |
|
|
|
|
|
|
|
160L |
|
|
|
|
|
|
318 |
255 |
1005 |
|
582 |
|
|
|
|
29 |
350 |
|
|
|
|
|
|
|
| |
|
|
|
|
|
|
|
|
|
|
|
|
|
|
|
|
|
|
|
|
|
|
|
|
1803D - 90S |
|
|
|
|
|
|
181 |
148 |
736 |
|
257 |
|
|
|
|
|
|
|
|
|
|
|
|
|
90L |
|
|
|
|
|
|
181 |
148 |
761 |
|
282 |
|
|
|
|
|
|
|
|
|
|
|
|
|
100L |
|
h6 |
|
|
|
|
202 |
163 |
799.5 |
|
320.5 |
|
|
|
|
|
|
m6 |
|
|
|
|
|
|
112M |
450 |
350 |
400 |
18 |
23 |
6 |
227 |
177 |
821.5 |
479 |
342.5 |
300 |
194 |
212 |
315 |
|
|
60 |
140 |
125 |
7.5 |
64.6 |
18 |
M20 |
1328 |
|
|
|
|
|
|
267 |
207 |
877 |
|
398 |
|
|
|
|
21 |
|
|
|
|
|
|
|
|
132M |
|
|
|
|
|
|
267 |
207 |
915 |
|
436 |
|
|
|
|
|
|
|
|
|
|
|
|
|
160M |
|
|
|
|
|
|
324 |
225 |
1013 |
|
534 |
|
|
|
|
29 |
350 |
|
|
|
|
|
|
|
160L |
|
|
|
|
|
|
318 |
255 |
1061 |
|
582 |
|
|
|
|
|
350 |
|
|
|
|
|
|
|
| |
|
|
|
|
|
|
|
|
|
|
|
|
|
|
|
|
|
|
|
|
|
|
|
|
2253D - 100L |
|
|
|
|
|
|
202 |
163 |
871 |
|
316 |
|
|
|
|
13.5 |
|
|
|
|
|
|
|
|
112M |
|
|
|
|
|
|
227 |
177 |
893 |
|
338 |
|
|
|
|
|
|
|
|
|
|
|
|
|
132S |
|
h6 |
|
|
|
|
267 |
207 |
943 |
|
388 |
|
|
|
|
21 |
|
m6 |
|
|
|
|
|
|
132M |
450 |
350 |
400 |
18 |
23 |
6 |
267 |
207 |
981 |
555 |
426 |
365 |
239 |
254 |
390 |
|
|
70 |
140 |
125 |
7.5 |
74.6 |
20 |
M20 |
160M |
|
|
|
|
|
|
324 |
225 |
1080 |
|
525 |
|
|
|
|
|
|
|
|
|
|
|
|
|
160L |
|
|
|
|
|
|
318 |
255 |
1128 |
|
573 |
|
|
|
|
29 |
|
|
|
|
|
|
|
|
180M |
|
|
|
|
|
|
360 |
275 |
1150 |
|
595 |
|
|
|
|
|
|
|
|
|
|
|
|
|
180L |
|
|
|
|
|
|
360 |
275 |
1188 |
|
633 |
|
|
|
|
36 |
|
|
|
|
|
|
|
|
200L |
|
|
|
|
|
|
408 |
316 |
1236 |
|
681 |
|
|
|
|
|
400 |
|
|
|
|
|
|
|
| |
|
|
|
|
|
|
|
|
|
|
|
|
|
|
|
|
|
|
|
|
|
|
|
|
2503D - 112S |
|
|
|
|
|
|
227 |
177 |
969 |
|
328 |
|
|
|
|
|
|
|
|
|
|
|
|
|
132S |
|
|
|
|
|
|
267 |
207 |
1024 |
|
3863 |
|
|
|
|
|
|
|
|
|
|
|
|
|
132M |
|
h6 |
|
|
|
|
267 |
207 |
1062 |
|
421 |
|
|
|
|
|
|
|
|
|
|
|
|
|
160M |
450 |
350 |
400 |
18 |
23 |
6 |
324 |
225 |
1161 |
|
520 |
|
|
|
|
29 |
|
m6 |
|
|
|
|
|
|
160L |
|
|
|
|
|
|
318 |
255 |
1209 |
641 |
568 |
420 |
267 |
281 |
450 |
|
|
90 |
180 |
160 |
10 |
95.3 |
25 |
M24 |
180M |
|
h6 |
|
|
|
|
360 |
275 |
1231 |
|
590 |
|
|
|
|
|
|
|
|
|
|
|
|
|
180L |
550 |
450 |
500 |
18 |
28 |
6 |
360 |
275 |
1269 |
|
628 |
|
|
|
|
|
|
|
|
|
|
|
|
|
200L |
|
|
|
|
|
|
408 |
316 |
1317 |
|
676 |
|
|
|
|
|
|
|
|
|
|
|
|
|
225S |
|
|
|
|
|
|
456 |
335 |
1344 |
|
703 |
|
|
|
|
|
|
|
|
|
|
|
|
|
225M |
|
|
|
|
|
|
456 |
335 |
1369 |
|
728 |
|
|
|
|
|
|
|
|
|
|
|
|
|
| |
|
|
|
|
|
|
|
|
|
|
|
|
|
|
|
|
|
|
|
|
|
|
|
|
2803D - 132S |
|
|
|
|
|
|
267 |
207 |
1100 |
|
381 |
|
|
|
|
21 |
|
|
|
|
|
|
|
|
132M |
|
h6 |
|
|
|
|
267 |
207 |
1138 |
|
419 |
|
|
|
|
|
|
|
|
|
|
|
|
|
160M |
550 |
450
|
500 |
18 |
28 |
6 |
324 |
225 |
1236 |
|
517 |
|
|
|
|
|
|
|
|
|
|
|
|
|
160L |
|
|
|
|
|
|
318 |
255 |
1284 |
|
565 |
|
|
|
|
29 |
|
m6 |
|
|
|
|
|
|
180M |
|
h6 |
|
|
|
|
360 |
275 |
1306 |
719 |
587 |
460 |
297 |
320 |
490 |
|
|
100 |
210 |
200 |
5 |
106.1 |
28 |
M24 |
180L |
660
|
550 |
600 |
22 |
40 |
6 |
360 |
275 |
1344 |
|
625 |
|
|
|
|
|
|
|
|
|
|
|
|
|
200L |
|
|
|
|
|
|
408 |
316 |
1390 |
|
671 |
|
|
|
|
36 |
|
|
|
|
|
|
|
|
225S |
|
|
|
|
|
|
456 |
335 |
1418 |
|
699 |
|
|
|
|
|
|
|
|
|
|
|
|
|
225M |
|
|
|
|
|
|
456 |
335 |
1443 |
|
724 |
|
|
|
|
|
|
|
|
|
|
|
|
|
|
|
|
|
|
|